- Описание
- Комментарии
Mitsubishi GT-600 – 4-х тактный бензиновый двигатель общего назначения с воздушным охлаждением, горизонтальным валом и цилиндром, наклоненным на 30 градусов. Имеет мощность 6 л.с. Устанавливается на культиваторы, мотоблоки, помпы, виброплиты и другую строительную и садовую технику.
Особенности двигателя Mitsubishi GT-600
Высокая мощность и лёгкость запуска
Благодаря оптимизированной схеме распределительного вала и уменьшенному трению деталей Mitsubishi GT-600 отличается высокой мощностью и производительностью. Применение транзисторно-магнитного зажигания облегчает запуск мотора.
Низкий шум и вибрация
Уникальная система регулировки скорости вращения повысила стабильность двигателя при работе на холостом ходу и на полной скорости. Увеличенная жёсткость блока цилиндров, улучшенная форма охлаждающего вентилятора, новый контур кулачка позволили значительно снизить шум. А использование специальных материалов и оптимизированная форма блока возвратно-поступательного движения в сочетании с небольшим весом позволяет максимально контролировать вибрацию.
Прочность, износостойкость
В агрегате усилены впускной и выпускной клапаны, коленвал и другие ключевые детали. Используются большие шариковые подшипники. Валы двигателя дополнительно защищены от пыли, карбюратор имеет высокий уровень антикоррозионной защиты.
Увеличенный выход
Замена традиционной камеры сгорания камерой с закрытой крышкой позволила достичь равномерного потока воздуха и уменьшить потери в выпускных и впускных каналах. Положение свечи зажигания в центре камеры сгорания увеличило выход на 10%.
Небольшой размер, долговечность, экономность
Среди двигателей своей категории Mitsubishi GT-600 выделяется небольшими размерами при максимальном крутящем моменте. Использование кованого распределительного вала, горизонтального коленчатого вала и косозубой передачи продлевает срок службы мотора. Благодаря стабилизации выходной мощности обеспечивается оптимальный ход и экономия топлива на 15-20% по сравнению с подобными двигателями других марок.
Технические характеристики двигателя Mitsubishi GT-600
Тип двигателя: | бензиновый, 4-х тактный |
Тип вала: | горизонтальный |
Система запуска: | ручной стартер |
Тип охлаждения: | воздушное |
Максимальная мощность, л/с: | 6 |
Количество цилиндров: | 1 |
Крутящий момент, Нм, при 3600 об/мин: | 11,5 |
Рабочий объем, см3: | 181 |
Емкость топливного бака, л: | 3.8 |
Расход топлива, л/час на полных оборотах: | 1.4 |
Диаметр выходного вала, мм: | 19.05 |
Ёмкость картера двигателя, л | 0.6 |
Габаритные размеры,мм: | 321 × 376 × 346 |
Сухая масса, кг: | 14.9 |
Кривые производительности двигателя Mitsubishi GT-600

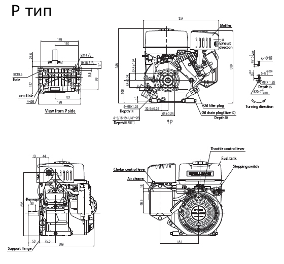
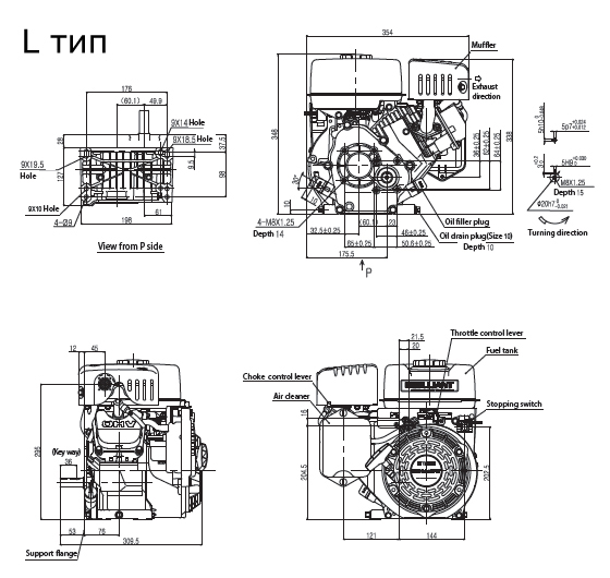
Схемы и габаритные размеры двигателя Mitsubishi GT-600


Хотите купить двигатель Mitsubishi GT-600? Оформляйте заказ на сайте УкрМоторСервис или свяжитесь с нами удобным для вас способом. Мы поможем подобрать нужную модель и купить её по самой выгодной цене, быстро оформим заказ и оперативно доставим его в любой регион Украины.