ШАНОВНІ КЛІЄНТИ! САМОВИВІЗ З МАГАЗИНУ МОЖЛИВИЙ ТІЛЬКИ ПРИ ПОПЕРЕДНЬОМУ ЗАМОВЛЕНІ.ДОСТАВКА НОВОЮ ПОШТОЮ ЗДІЙСНЮЄТЬСЯ З ЗАТРИМКОЮ 2-3 ДНІ.
УВАЖАЕМЫЕ КЛИЕНТЫ! САМОВЫВОЗ ИЗ МАГАЗИНА ВОЗМОЖЕН ТОЛЬКО ПРИ ПРЕДВАРИТЕЛЬНОМ ЗАКАЗЕ.ДОСТАВКА НОВОЙ ПОЧТОЙ ОСУЩЕСТВЛЯЕТСЯ С ЗАДЕРЖКОЙ 2-3 ДНЯ.
- мир запчастей для вашей техники
Главная
Запчасти для мототехники
Запчасти для лодочных моторов
Запчасти к лодочным моторам Parsun 2T
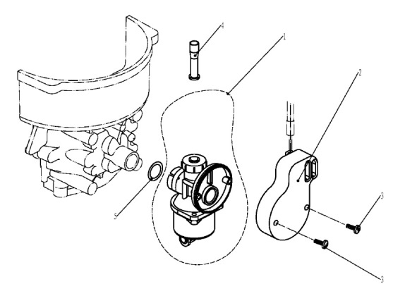
Запчасти для лодочного мотора Parsun 2,5 л.с. 2T
Система впуска лодочного мотора HDX T2.5-T3.6
Давайте, перейдем на Украинский?